Абразивоструйный двухкамерный аппарат 300 л CADWB-2460 с 2 x FSV (для 2-х операторов) [00900D]
Описание
Этот высококачественный тип продукции относится к группе «Напорные Абразивоструйные Системы». Только отличная конфигурация и соответствие всех компонентов в пескоструйной машине дает эффективность струйной очистки. Поэтому Clemco предлагает широкий и полный ассортимент высококачественной продукции.
Двухкамерный абразивоструйный аппарат CADWB-2460 емкостью 300 л
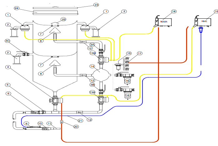
Особенности нашей двухкамерной пескоструйной установки в том, что при определенной модификации могут работать одновременно и независимо друг от друга до 4-х операторов. К тому же двухкамерная система позволяет перезагружать аппарат не останавливая рабочий процесс. Это даёт возможность применять данную систему при автоматической абразивоструйной очистке или непрерывной работе.
Комплектация
· Двухкамерный абразивоструйный аппарат SCWB-2460 ёмкостью 300 л (2х150 л) с ситом и крышкой
· Дозирующий клапан FSV-60 1¼"
Варианты комплектации
Абразивоструйный двухкамерный аппарат 300 л CADWB-2460 с 2 x PVR-G, PVR-A, HMS (для 2-х операторов) [93055D]
Комплектация:
· Двухкамерный абразивоструйный аппарат SCWB-2460 ёмкостью 300 л (2х150 л) с ситом и крышкой
· Дозирующий клапан PVR-G без фланца
· Воздушный клапан PVR-A с фланцем
· Влагомаслоотделитель HMS 1 1/2"
Абразивоструйный двухкамерный аппарат 300 л CADWB-2460 с PVR-G, PVR-A, HMS, Таймер (для 2-х операторов) [90104D]
Комплектация:
· Двухкамерный абразивоструйный аппарат SCWB-2460 ёмкостью 300 л (2х150 л) с ситом и крышкой
· Дозирующий клапан PVR-G без фланца
· Воздушный клапан PVR-A с фланцем
· Влагомаслоотделитель HMS 1 1/2"
· Электропанель с таймером 230V (двухкамерная бочка)
Абразивоструйный двухкамерный аппарат 300 л CADWB-2460 с PVR-D, PVR-A, HMS (для 1-го оператора) [90107D]
Комплектация:
· Двухкамерный абразивоструйный аппарат SCWB-2460 ёмкостью 300 л (2х150 л) с ситом и крышкой
· Дозирующий клапан PVR-G без фланца
· Воздушный клапан PVR-A с фланцем
· Влагомаслоотделитель HMS 1 1/2"
Характеристики
Габариты: Ш х В х Д*: 900 x 1750 x 850 mm
Диаметр: 610 мм
Вес*: 300 кг
Характеристики: зависит от требований обширная модификация
Дробеструйная обработка: 0 < > 12 бар
Температура при эксплуатации: 0°C < > 50°C
Абразив: для любых типичных абразивов
Емкость резервуара: 2 x 150 л
Сфера применения: автоматизированные струйные системы непрерывный рабочий процесс одновременная работа нескольких пескоструйщиков
Запчасти


